Строение матки моллюсков Viviparidae

 

Строение матки моллюсков Viviparidae
 
Матка - мешковидный тонкостенный орган, лежащий в крыше мантийной полости. Толщина и строение ее стенки в разных участках неодинаковы. Целесообразно выделить вентральный, дорзальный участки и заметно обособленный канал, идущий по правой стороне органа.
 
Contectiana contecta
 
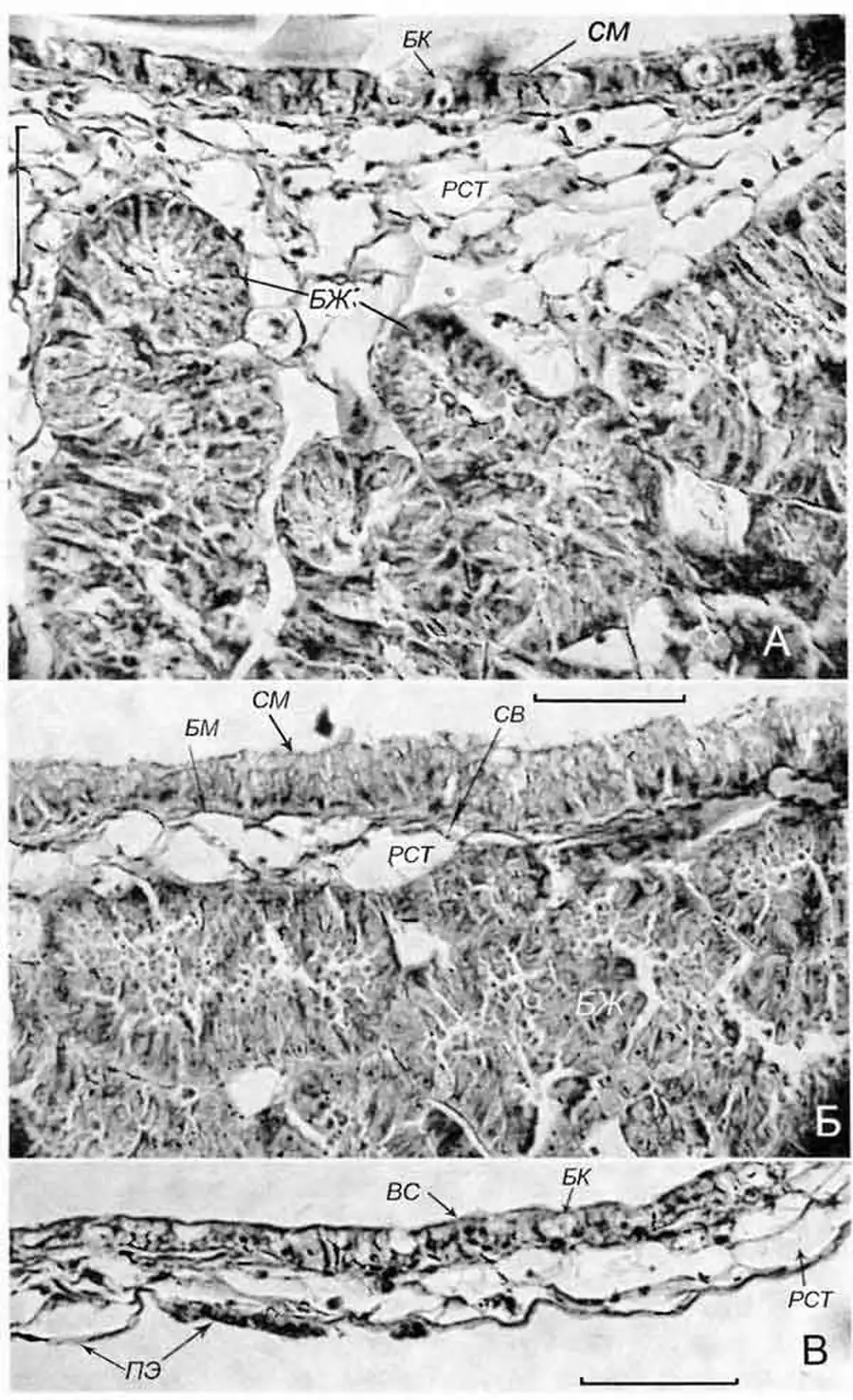
Contectiana contecta (Millet, 1813) (H 29,5 мм: 27.05.2009): A - фрагмент поперечного среза через стенку верхнего колена матки; Б фрагмент среза через стенку матки на стыке участков свободного и лежащего рядом с белковой железой; БЖ белковая железа; ВС - внутренний слой высокопризматических клеток; НС - наружный слой клеток; СК - секрет железистых клеток (содержимое матки); СМ - стенка матки (железистые высокопризматические клетки); РСТ - рыхлая соединительная ткань. Масштабные линии - 50 мкм
 
Contectiana contecta (Millet, 1813) (H 29,5 мм: 27.05.2009): фрагменты поперечных срезов через стенку матки на участках рядом с белковой железой
 
Contectiana contecta (Millet, 1813) (H 29,5 мм: 27.05.2009): фрагменты поперечных срезов через стенку матки на участках рядом с белковой железой (А, Б) и в дорзальном участке (В); БЖ белковая железа; БК - бокаловидные клетки; БМ - базальная мембрана; ВС - внутренняя стенка (низкопризматический эпителий) матки; РСТ рыхлая соединительная ткань; ПЭ - покровный эпителий; СМ - собственная стенка матки (высокопризматический эпителий). Масштабные линии - 50 мкм (А, В) и 40 мкм (Б)
 
Основа вентральной части стенки, прилегающей к белковой железе, - 1 ряд клеток, различающихся по строению на разных участках. Основная часть выстилки образована железистыми клетками. Железистые клетки двух типов - высокопризматические и бокаловидные. Высота первых 28-35 мкм. Они умеренно широкие, имеют светлую, тонко зернистую цитоплазму и базально лежащие овальные, светлые, со слабой зернистостью ядра (их диаметр примерно 6,0 х 4,5 мкм). Бокаловидные клетки овальные, примерно (16-20) х (12-15) мкм, с округлыми ядрами около 4,5 мкм в диаметре. На меньшем участке стенки здесь железистые клетки небольших размеров, близкие к низкопризматическим (кубическим), высотой 17-20 мкм (рис. 82, А). Высокопризматические клетки выделяют в полость матки однородный секрет, окрашивающийся слабо базофильно. Низкопризматические клетки на многих участках образуют небольшие складки.